200M 400M 200M
RNG: 2.4 KM
BRG: 047°
ALT: 3,200 FT
SPD: 480 KTS
HDG: 012° N
TGT: ALPHA-7
MODE: SEARCH
PWR: NOMINAL
FREQ: X-BAND
STATUS: LOCK
NAVTGTWPNDEFRDRCOM
MIL-STD-1553IFF: ACTIVELINK-16: SYNC
SECTOR: ALPHA
THREAT: CLEAR
RADAR: ACTIVE
TRACK: 6 TGT
LAT 28.6213°N LON 77.3873°E
NX
Neometrix Target Acquired
GB Flag English
English Flag English
Indian Flag हिन्दी
Francis Flag Français
Dutch Flag Deutsch
Spanish Flag Español
Arabic Flag العربية
Russian Flag Русский
Japanese Flag 日本語
Portuges Flag Português
Italian Flag Italiano
Israel Flag עברית
Chinese Flag 中文
Korean Flag 한국어
Thailand Flag ไทย
Vietnamese Flag Tiếng Việt
Indonesia Flag Bahasa Indonesia
Malasia Flag Bahasa Melayu
Kiswahili Flag Kiswahili
Ethiopia Flag አማርኛ
isizulu Flag isiZulu
Hausa Flag Hausa
Dual-Power Hydraulic Test Rigs: Advancing Flexibility in System Evaluation Modern industries demand versatile and energy-efficient solutions for hydraulic system validation. The introduction of dual-power hydraulic test rigs and hybrid hydraulic test benches has transformed the way manufacturers and maintenance facilities evaluate performance. These advanced platforms—ranging from electric and diesel-driven hydraulic system testers to dual-drive hydraulic test benches equipped with twin motors—offer unmatched flexibility. By combining multiple energy sources, such as AC/DC or hybrid supply, operators can switch seamlessly between modes for efficiency and precision. Custom-engineered solutions like the dual-input hydraulic test station, programmable dual-drive hydraulic testers, and industrial dual-mode hydraulic test benches provide comprehensive performance verification under real-world conditions. Portable configurations, such as the mobile dual-power hydraulic tester, extend these capabilities to field applications. Beyond standard pressure evaluation, systems such as the hybrid hydraulic energy test platforms, dual-source load testing rigs, and multi-input hydraulic energy evaluation setups allow simulation of complex duty cycles. This ensures components can withstand diverse operational scenarios, from endurance runs to thermal and dynamic stress tests. With integrated dual-drive hydraulic testers and advanced dual-input evaluation stations, industries gain a reliable, customizable, and future-ready approach to hydraulic validation. The result is higher testing accuracy, reduced downtime, and increased assurance in safety-critical hydraulic systems.

Dual Power Hydraulic Test Rig

About

The Neometrix Dual Power Hydraulic Test Rig is a robust, turnkey solution designed to validate the performance and integrity of aerospace and defense hydraulic components under precise, programmable conditions. Featuring two independent hydraulic power packs—an axial-piston main system and a gear-pump standby system—the rig delivers up to 350 bar at 80 LPM with seamless redundancy for uninterrupted proof, burst, impulse and endurance testing. Its 400 L stainless-steel reservoir, integrated chiller and heater maintain fluid temperatures from 10 °C to 48 °C, while six-stage filtration ensures ISO-grade cleanliness. Advanced digital instrumentation—including WIKA pressure transducers, high-accuracy flow meters and an Omron PLC with touchscreen HMI—enables fully automated test sequences, data logging and rapid fault detection. Built on a reinforced steel skid with comprehensive safety interlocks and emergency stops, this test rig meets ISO 9001 standards and is tailored for the most stringent aerospace and defense certification requirements
No Image

Image Gallery

Technical Details

Specification Detail
Main PumpParker PV Plus axial-piston, 63 cc/rev
Main Motor60 HP (45 kW), 4-pole, 1 470 RPM, 415 VAC, 50 Hz
Standby PumpHigh-pressure gear pump, up to 80 LPM
Standby Motor15 kW TEFC motor
Maximum Operating Pressure350 bar
Peak Safe Pressure450 bar
Flow Rate80 LPM
Reservoir Capacity400 L SS-304 stainless steel
Temperature Range10 °C–48 °C
Chiller Capacity30 000 kcal/h
Heater Power4 kW
FiltrationSuction 149 µm; pressure-line 10 µm, 6 µm, 3 µm; tank & chiller 10 µm
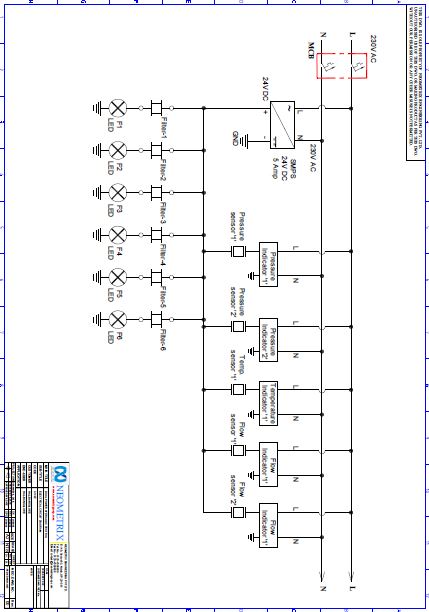
Pressure SensorsWIKA digital transducers (0–413 bar, ±0.25 %)
Pressure GaugesAnalog Bourdon (0–600 bar, ±0.25 %)
Flow MetersTurbine 3.6–36 LPM & 13.3–133 LPM (±1 %)
ControllerOmron PLC with touchscreen HMI
Data LoggingUSB and Ethernet
Auxiliary DC Supply0–35 V, 0–10 A (APLAB)
Relief ValvesPilot-operated: 300 bar (main), 200 bar (standby)
Emergency StopFour-zone E-Stop circuit with lockable pushbuttons
Footprint4.5 m (L) × 2.5 m (W) × 2.0 m (H)
Power RequirementApproximately 70 kW total
Electrical Supply415 VAC, 3-phase, 50 Hz
    The rig is used to:
  • Validate structural integrity via proof and burst pressure tests
  • Simulate duty cycles with impulse and endurance testing
  • Measure leakage rates under static and dynamic conditions
  • Characterize and calibrate proportional valves and actuators
  • Re-qualify MRO components and support R&D development
  • Generate ISO-compliant reports for aerospace and defense certification

Key Features

  • Proof & Burst Testing
  • Static & Dynamic Leakage
  • Pressure/Flow Characterization
  • Impulse & Endurance Cycling
  • Mechanical & Electrical Verification

Download Gallery

×

Enquire Now

and we will get back to you.

Details

Introduction
The Neometrix Dual Power Hydraulic Test Rig is purpose-built to serve as the definitive verification platform for hydraulic Line-Replaceable Units (LRUs) deployed in the most demanding aerospace and defense environments. In layperson’s terms, imagine a highly sophisticated “stress-test bench” that applies controlled bursts of hydraulic fluid—even beyond normal operating limits—so that engineers can identify leaks, mechanical weaknesses, or performance drifts before components ever leave the factory. By reproducing exact field conditions in the laboratory, this rig guarantees that critical systems such as landing-gear jacks, flight-control actuators and brake assemblies will operate reliably under all circumstances.

System Overview
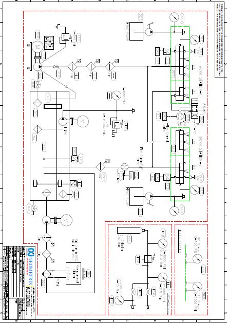
The Dual Power Hydraulic Test Rig integrates two fully independent hydraulic power systems, a large-volume fluid reservoir, comprehensive thermal conditioning and advanced digital controls into a single, turnkey solution. This architecture enables continuous operation—without interruption—for long-duration proof, burst, impulse and endurance sequences. All major components are mounted on a reinforced steel skid with integrated leveling feet and forklift channels, ensuring straightforward installation and mobility within any industrial test cell environment.

Power Units
1. Main Power Pack
 • Pump Type: Parker PV Plus axial-piston, 63 cc/rev, renowned for high volumetric efficiency and low noise levels.
 • Electric Drive: 60 HP (45 kW) TEFC motor, 4-pole design, delivering 1470 RPM at 415 VAC, 50 Hz.
 • Performance Envelope: Continuous duty up to 350 bar at 80 LPM; certified safe-operating-limit up to 450 bar.
 • Cooling: IP55 motor housing with external fan ensures thermal stability under continuous operation.

2. Standby Power Pack
 • Pump Type: High-pressure gear pump producing up to 80 LPM.
 • Motor: Secondary 15 kW TEFC motor; engages automatically upon detection of main-pump fault or scheduled maintenance.
 • Pressure Regulation: Panel-mounted pilot relief valve adjustable from 10 to 200 bar, providing immediate load relief and maintaining test continuity.
 • Fail-Safe Switching: Pressure sensors and PLC logic manage seamless switchover with less than 2 seconds of downtime.

Hydraulic Reservoir & Thermal Conditioning
 • Reservoir Construction: 400 L capacity fabricated from SS-304 stainless steel with anti-cavitation baffle and internal deflector plates to minimize aeration.
 • Fluid Monitoring: Integrated level switch, manual sight glass and temperature probe provide real-time status.
 • Active Temperature Control:
   - Chiller: Air-cooled, 30 000 kcal/h unit maintains oil temperature between 10 °C and 48 °C to replicate arctic to desert climates.
   - Heater: 4 kW immersion heater controlled via PID loop for ±0.1 °C stability.
 • Accumulator / Dampener: 1 L piston-type unit smooths pulsations, ensuring steadier pressure delivery and more accurate test data.

Filtration & Fluid Quality
Maintaining hydraulic-fluid cleanliness is vital for repeatable, long-term testing. This rig employs six sequential filters:

Location Rating Media Indicator Bypass
Suction Strainer 149 µm Stainless-steel mesh None No
Primary Pressure 10 µm Inorganic microfiber Visual Yes
Secondary Pressure 6 µm Inorganic microfiber Visual Yes
Fine Pressure 3 µm Inorganic microfiber None No
Tank Return Line 10 µm Inorganic microfiber Visual Yes
Chiller Loop 10 µm Inorganic microfiber Visual Yes
Instrumentation & Control • Pressure Sensing: Dual-channel WIKA digital transducers (0–413 bar, ±0.25 %) alongside analog Bourdon-tube gauges (0–600 bar, ±0.25 %). • Flow Measurement: High-precision turbine meters in two ranges (3.6–36 LPM and 13.3–133 LPM, ±1 % full-scale) mounted at both inlet and return circuits. • Digital Controller: - Omron programmable logic controller (PLC) with touchscreen HMI for setting pressure ramp rates, hold times and cycle counts. - Built-in sequence editor supports nested test loops and conditional branching (e.g., abort on leak detection). - Data logging via USB or Ethernet for full traceability and integration with MES/SCADA systems. • Auxiliary Power Supply: APLAB DC source (0–35 V, 0–10 A) with digital readouts, ideal for testing electro-hydraulic actuators and solenoid valves. Safety & Compliance • Relief & Dump Valves: Pilot-operated relief valves set to 300 bar (main) and 200 bar (standby) automatically vent excess pressure. Manual and solenoid-operated dump valves enable rapid depressurization. • Emergency Stop: Four-zone E-Stop circuit with lockable pushbuttons strategically located around the skid. • Electrical Protection: Main circuit breaker with ground-fault interrupter and motor-protection relays. • Standards Met: Designed and manufactured under ISO 9001 quality system; fully compliant with MIL-STD-810G environmental requirements and relevant aerospace-industry safety codes. Test Modes & Functional Capabilities 1. Proof & Burst Testing - Ramp-to-pressure and hold sequences to verify vessel integrity. 2. Static & Dynamic Leakage - Quantitative measurement of leakage flows under steady-state and pulsating conditions. 3. Pressure/Flow Characterization - Automated sweeps of command-signal vs. output parameters for proportional valves, generating full flow–pressure curves. 4. Impulse & Endurance Cycling - Configurable cycles (up to 10 000+ cycles) with dwell, rise/fall and dwell profiling. 5. Mechanical & Electrical Verification - Micro-switch actuation tests, lever-force measurement, insulation-resistance checks and ground-bond integrity. Installation & Site Requirements • Footprint: 4.5 m (L) × 2.5 m (W) × 2.0 m (H). • Electrical Supply: 415 VAC, 3-phase, 50 Hz with neutral; recommended 80 kVA service capacity. • Cooling Water: Clean water supply at 1 L/min, 20 °C–30 °C for chiller heat rejection (optional external radiator). • Foundation: Level concrete pad or vibration-isolated grating floor recommended. Documentation & After-Sales Support • Documentation Package: Comprehensive design-approval package, GA drawings, hydraulic schematics, electrical wiring diagrams, full bill of materials and calibration certificates. • User Manuals: Step-by-step operation, maintenance procedures, troubleshooting guides and safety protocols. • Calibration & Service: Pre-delivery factory acceptance test (FAT) and optional site acceptance test (SAT); annual calibration and service contracts available. • Spare Parts: Standard and fast-turnaround kits; custom spares tailored to customer-specific configurations.

Similar Products

Share This Page

move to top arrow