200M 400M 200M
RNG: 2.4 KM
BRG: 047°
ALT: 3,200 FT
SPD: 480 KTS
HDG: 012° N
TGT: ALPHA-7
MODE: SEARCH
PWR: NOMINAL
FREQ: X-BAND
STATUS: LOCK
NAVTGTWPNDEFRDRCOM
MIL-STD-1553IFF: ACTIVELINK-16: SYNC
SECTOR: ALPHA
THREAT: CLEAR
RADAR: ACTIVE
TRACK: 6 TGT
LAT 28.6213°N LON 77.3873°E
NX
Neometrix Target Acquired
GB Flag English
English Flag English
Indian Flag हिन्दी
Francis Flag Français
Dutch Flag Deutsch
Spanish Flag Español
Arabic Flag العربية
Russian Flag Русский
Japanese Flag 日本語
Portuges Flag Português
Italian Flag Italiano
Israel Flag עברית
Chinese Flag 中文
Korean Flag 한국어
Thailand Flag ไทย
Vietnamese Flag Tiếng Việt
Indonesia Flag Bahasa Indonesia
Malasia Flag Bahasa Melayu
Kiswahili Flag Kiswahili
Ethiopia Flag አማርኛ
isizulu Flag isiZulu
Hausa Flag Hausa
Mobile Hydraulic Flushing Solutions Our mobile hydraulic flushing rig and portable hydraulic cleaning machines are designed for efficient, onsite maintenance of industrial hydraulic systems. Featuring skid-mounted hydraulic flushing rigs, hydraulic fluid purification systems, and offline filtration units, these units ensure optimal oil cleanliness and system performance. Ideal for hydraulic loop flushing, flushing of pipes, and contamination control, our solutions include diesel-powered flushing rigs, high-pressure flushing systems, and compact, multi-purpose flushing trolleys for flexibility in the field. Whether you need hydraulic oil flushing units, portable oil purification units, or mobile lube oil flushing rigs, our equipment provides reliable closed-loop hydraulic flushing, on-site hydraulic cleaning, and custom flushing solutions for a wide range of machinery and industrial applications.

Mobile Hydraulic Flushing Rig

About

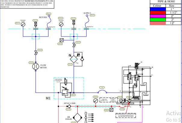
The Mobile Hydraulic Flushing Rig is a high-performance, transportable system engineered to thoroughly clean hydraulic circuits by generating turbulent flow, applying multi-stage fine filtration, and maintaining precise control of pressure and temperature. Designed to meet stringent cleanliness standards like NAS 1638 and ISO 4406, it features advanced instrumentation, safety interlocks, and optional automation. Ideal for on-site servicing in aerospace, defense, industrial, and heavy equipment sectors, this rig ensures fast, reliable, and certifiable hydraulic flushing to protect system integrity and extend equipment lifespan.
No Image

Image Gallery

Technical Details

  
Parameter Specification
Reservoir Capacity 600 L, stainless steel (SS-304), baffled, with level gauge and low/high switches
Booster Pump Fixed displacement, 200 LPM @ 10 bar, 5.5 kW motor
Main Flushing Pump Axial piston, variable displacement: 35 LPM @ 350 bar → 140 LPM @ 30 bar, 30 kW
Filtration Stages Booster: 10 µm → 6 µm → 3 µm; Pressure line: 3 µm; Return line: 10 µm
Filter Features Clog indicators, bypass valves, magnetic pre-filter (optional)
Cooling System 21.5 kW air-cooled heat exchanger, rated for 140 LPM, max outlet temp 60 °C
Flow Meter 0–140 LPM, digital, 4–20 mA output, optional RS-485/USB logging
Temperature Measurement RTD or thermocouple, 4–20 mA transmitter with digital readout
Pressure Gauges/Transmitters Booster, supply, and return lines; 0–400 bar range, 4–20 mA output
Electrical Supply 3-phase, 415 V AC, 50 Hz, IP55 control panel with MCBs and motor starters
Safety Features E-stop, low-level shutdown, over-temperature cut-off, filter-clog alarms
Connections 1″ BSP or optional QCDC (Quick Disconnect Couplings)
Frame Dimensions Approx. 2200 × 1500 × 1800 mm (L × W × H), forklift-compatible skid frame
Dry/Wet Weight Approx. 1500 kg dry, 2100 kg filled
  • Aerospace & Defense: Flushing flight control systems, servo-valves, and hydraulic actuation lines in aircraft, tanks, and UAVs.
  • Industrial Machinery: Cleaning hydraulic presses, injection molding machines, forging lines, and rolling mills.
  • Rail & Metro Systems: Flushing brake control systems, bogie suspension hydraulics, and traction control actuators.
  • Marine & Offshore: Flushing steering gear, ballast control circuits, and subsea hydraulic lines—DNV or ATEX configurations ava
  • ilable.
  • Mobile Equipment: On-site servicing of excavators, cranes, backhoes, and heavy agricultural or construction machinery.

Key Features

  • 30 kW variable-displacement piston pump delivers 35 LPM/350 bar or 140 LPM/30 bar for Re >3000 turbulent flow.
  • 600 L SS-304 baffled reservoir with low/high level switches and 5.5 kW/200 LPM booster pump for stable supply.
  • Booster filtration 10→6→3 µm, pressure line 3 µm, and return 10 µm achieves NAS 1638 Class 6 (ISO 4406 16/14/11).
  • 21.5 kW air-cooled heat exchanger rated for 140 LPM holds outlet oil below 60 °C for stable flushing viscosity.
  • 0–140 LPM digital flow meter (4–20 mA, RS-485/USB) and 0–400 bar pressure transmitters enable real-time monitoring.
  • IP55 panel with MCBs, E-stop, low-level shutdown, over-temp cut-off, and filter-clog alarms ensures safe flushing.
  • 1″ BSP or QCDC quick-disconnect couplings provide fast, leak-free connection to aerospace and industrial systems.
  • Suited for aerospace, defense, rail, marine, and heavy mobile machinery from commissioning to scheduled overhaul.

Media Gallery

Video Gallery

Download Gallery

×

Enquire Now

and we will get back to you.

Details

Overview
The Mobile Hydraulic Flushing Rig is a sophisticated, skid-mounted system designed to flush and decontaminate hydraulic pipelines, actuators, and power units. It uses controlled high-velocity turbulent flow, multi-stage filtration, thermal regulation, and real-time monitoring to achieve required fluid cleanliness levels—typically NAS 1638 Class 6 or better (ISO 4406 16/14/11). This ensures optimal protection of mission-critical hydraulic systems from wear, malfunction, and early failure due to contamination. Ideal for aerospace, defense, manufacturing, power generation, and mobile machinery, the rig is engineered to meet the most demanding hydraulic flushing requirements. Whether used for initial commissioning, post-maintenance cleaning, or routine service, it guarantees fast, repeatable, and
certifiable flushing results.

Key Applications
• Aerospace & Defense: Flushing flight control systems, servo-valves, and hydraulic actuation lines in aircraft, tanks, and UAVs.
• Industrial Machinery: Cleaning hydraulic presses, injection molding machines, forging lines, and rolling mills.
• Rail & Metro Systems: Flushing brake control systems, bogie suspension hydraulics, and traction control actuators.
• Marine & Offshore: Flushing steering gear, ballast control circuits, and subsea hydraulic lines—DNV or ATEX configurations available.
• Mobile Equipment: On-site servicing of excavators, cranes, backhoes, and heavy agricultural
or construction machinery.

Functional Design
Contaminants like metal shavings, seal residues, dust, and water are flushed out using high-pressure
fluid passed through a series of progressively finer filters. The rig ensures:
• Turbulent flow (Re > 3000) for mechanical dislodgement of particles
• Multi-stage filtration (up to 3 μm) to capture contaminants
• Temperature control for optimal viscosity and flushing efficiency
• Instrumentation & alarms for operational safety and feedback
• Quick-disconnect couplings for fast, leak-free connection to systems

Technical Specifications
  
Parameter Specification
Reservoir Capacity 600 L, stainless steel (SS-304), baffled, with level gauge and low/high switches
Booster Pump Fixed displacement, 200 LPM @ 10 bar, 5.5 kW motor
Main Flushing Pump Axial piston, variable displacement: 35 LPM @ 350 bar → 140 LPM @ 30 bar, 30 kW
Filtration Stages Booster: 10 µm → 6 µm → 3 µm; Pressure line: 3 µm; Return line: 10 µm
Filter Features Clog indicators, bypass valves, magnetic pre-filter (optional)
Cooling System 21.5 kW air-cooled heat exchanger, rated for 140 LPM, max outlet temp 60 °C
Flow Meter 0–140 LPM, digital, 4–20 mA output, optional RS-485/USB logging
Temperature Measurement RTD or thermocouple, 4–20 mA transmitter with digital readout
Pressure Gauges/Transmitters Booster, supply, and return lines; 0–400 bar range, 4–20 mA output
Electrical Supply 3-phase, 415 V AC, 50 Hz, IP55 control panel with MCBs and motor starters
Safety Features E-stop, low-level shutdown, over-temperature cut-off, filter-clog alarms
Connections 1″ BSP or optional QCDC (Quick Disconnect Couplings)
Frame Dimensions Approx. 2200 × 1500 × 1800 mm (L × W × H), forklift-compatible skid frame
Dry/Wet Weight Approx. 1500 kg dry, 2100 kg filled
Control & Automation Options Standard Manual Panel • Toggle switches for pump operation • Digital and analog gauges for flow, pressure, and temperature • Emergency stop and fault indicators PLC-Based HMI (Optional) • Programmable flushing sequences • Real-time data display with touchscreen • Automatic shutdown on fault • Particle counter integration with cleanliness monitoring • Remote diagnostics (Ethernet/Modbus/USB) Operation Workflow 1. Connect the supply and return hoses using QCDC fittings 2. Fill & prime using the booster pump; ensure filters are clean 3. Start the main pump, adjust pressure/flow using the unloading and needle valves 4. Monitor parameters via digital displays—flow, pressure, and temperature 5. Flush until required cleanliness level is achieved (verified by sample or particle counter) 6. Shutdown using standard operating procedures; log flushing results if data logging is enabled Advantages • High Turbulence ensures even hidden debris is flushed • Fine Filtration removes harmful particles down to 3 μm or finer • Temperature Regulation ensures fluid properties remain optimal • Digital Instrumentation provides real-time control and records • Robust Construction suited for industrial or military use • Customizable Build allows integration of optional sensors, heaters, and PLCs • Low Maintenance with visual checks and standardized filter elements Optional Add-Ons • Electric pre-heater for fluid (up to 60–80 °C) • Explosion-proof (ATEX Zone 2) variant • Integrated particle counter (NAS/ISO display) • Diesel-powered portable rig for field operations • Magnetic filter stages for ferrous debris • Customized filter micron ratings and tank sizes • Stainless steel control panel (IP66) for harsh environments Certifications & Standards • CE compliant per Machinery Directive 2006/42/EC • NAS 1638, ISO 4406, SAE AS4059 particle cleanliness levels • IP55-rated control enclosure • Electrical components per IEC/IS standards • ATEX Zone 2, DNV/Offshore lifting frame options available Use Case Highlights • Defense Establishments: Flushing high-pressure test rigs and electrohydraulic servo systems before deployment • Aerospace OEMs: Pre-delivery cleaning of actuator and reservoir assemblies for helicopters and aircraft • Railways: Maintenance of bogie and pantograph hydraulic systems during overhaul cycles • Steel Plants & Refineries: Pipeline flushing after welding, before commissioning of hydraulic control systems • Mobile Equipment Service Yards: On-site hydraulic flushing for fleet maintenance of heavy equipment Conclusion The Mobile Hydraulic Flushing Rig is an essential quality assurance and maintenance tool for any organization relying on high-performance hydraulic systems. Designed for rugged environments and available in fully automated or manually operated configurations, it offers unmatched performance, reliability, and adaptability. Backed by Neometrix’s engineering expertise, these rigs are available with extensive customization, field support, and certification options to meet global industrial, defense, and aerospace standards.

Similar Products

Share This Page

move to top arrow