200M 400M 200M
RNG: 2.4 KM
BRG: 047°
ALT: 3,200 FT
SPD: 480 KTS
HDG: 012° N
TGT: ALPHA-7
MODE: SEARCH
PWR: NOMINAL
FREQ: X-BAND
STATUS: LOCK
NAVTGTWPNDEFRDRCOM
MIL-STD-1553IFF: ACTIVELINK-16: SYNC
SECTOR: ALPHA
THREAT: CLEAR
RADAR: ACTIVE
TRACK: 6 TGT
LAT 28.6213°N LON 77.3873°E
NX
Neometrix Target Acquired
GB Flag English
English Flag English
Indian Flag हिन्दी
Francis Flag Français
Dutch Flag Deutsch
Spanish Flag Español
Arabic Flag العربية
Russian Flag Русский
Japanese Flag 日本語
Portuges Flag Português
Italian Flag Italiano
Israel Flag עברית
Chinese Flag 中文
Korean Flag 한국어
Thailand Flag ไทย
Vietnamese Flag Tiếng Việt
Indonesia Flag Bahasa Indonesia
Malasia Flag Bahasa Melayu
Kiswahili Flag Kiswahili
Ethiopia Flag አማርኛ
isizulu Flag isiZulu
Hausa Flag Hausa
Advanced Hydraulic and Tube Test Stands for Aerospace and Industrial Applications Ensuring the safety, reliability, and performance of hydraulic and fluid hoses requires specialized hydraulic hose test stands and tube proof test stands. These high-pressure test benches provide controlled hydraulic hose proof testing and tube pressure tests, validating strength, burst resistance, and compliance with industry standards. Modern systems, including tube pressure test machines, aerospace hose testing equipment, and industrial hose test benches, support hose pressure validation, proof pressure testing, and hydraulic hose burst resistance evaluations. Additional setups such as hose stress and integrity testers, pneumatic-hydraulic hose test stands, and hose pressure fatigue benches ensure durability and safety under repeated load cycles. Versatile and high-precision units—reinforced hose test rigs, flexible hose hydraulic proof testers, custom hose testing stations, multichannel hose test stands, and certified hydraulic hose test benches—facilitate leak detection, hose crimp and proof tests, and pressure compliance validation. Mobile and durable designs enable field and workshop testing, making these rigs essential for aerospace, industrial, and fluid-handling applications.

Hydraulic Hose/Tube Proof Test Stand

About

The Hydraulic Hose/Tube Proof Test Stand is a heavy-duty, floor-mounted rig designed for static pressure testing up to 690 bar (10,000 psi). It features dual-source pressurization—an electric Rexroth gear pump and an air-driven Haskel pump—multistage filtration, and a plate-type heat exchanger to maintain fluid cleanliness and temperature. Comprehensive instrumentation (digital & analog gauges, programmable timer, emergency-stop) and an interlocked safety hood with polycarbonate windows ensure precise, repeatable tests and operator protection. Built in a powder-coated steel cabinet with vibration-dampening feet, it’s ideal for aerospace MRO, heavy equipment certification, R&D, and training applications. Optional PLC integration, extended chambers, and acoustic enclosures allow customization for specialized workflows.
No Image

Image Gallery

Technical Details

ParameterSpecification
Maximum Test Pressure10 000 psi (≈ 690 bar)
Electric Pump Working Range0–800 bar, 5 L/min
Air-Driven Pump Range0–1 500 psi (≈ 103 bar)
Fluid Tank Capacity50 L stainless steel (SS 304), with sight glass and high/low-level switches
Filtration10 µm, 6 µm, 3 µm inline cartridge filters
CoolingPlate-type heat exchanger, 1 kW thermal capacity
Pressure TransmitterWika S10, 4–20 mA output, 0–1 000 bar
Process IndicatorSelec PIC-152N-B, LED for mA input and set-point alarm
Analog GaugesBourdon (0–800 bar) & pneumatic (0–16 bar)
Timer1 s–99 h 59 m, digital, front-panel mounted
Hood Windows2 × 250 × 250 mm polycarbonate with rubber seals
Electric Motor3 HP, 1 420 RPM, 3-phase, 415 VAC ± 5 %, TEFC
Power Supply415 VAC three-phase & 220 VAC single-phase; 2 kVA transformer included
Control PanelIP 54, 20° incline, houses switches, gauges, indicators
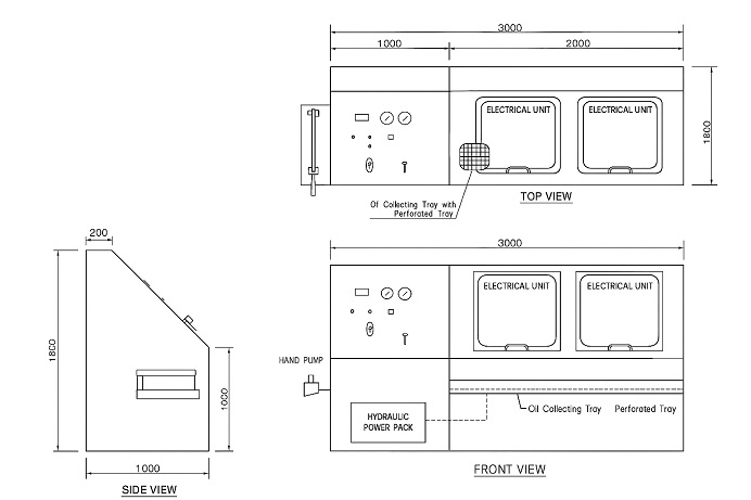
Dimensions (W × D × H)3 000 × 1 000 × 1 500 mm
Weight (Empty)≈ 850 kg
Ambient Range0–45 °C, 10–90 % RH (non-condensing)
Safety StandardsEN 61010-1 & ISO 13849 compliant
 • Aerospace MRO: Proof-testing hydraulic hoses for helicopters, fixed-wing aircraft, and ground-support equipment.
 • Mobile & Heavy-Duty Equipment: Certification of hoses for excavators, cranes, mining vehicles, and agricultural machinery.
 • Industrial Fluid Power Systems: Quality control for assembly shops producing high-pressure hoses and fittings.
 • R&D Laboratories: Validation of novel hose materials and seal designs under static orcyclic loads.
 • Training & Certification: Operator training rigs at technical schools and OEM service centers to demonstrate safe pressure-testing protocols.
        

Key Features

  • Dual-Source Pressurization
  • Advanced Fluid Conditioning
  • Precision Instrumentation
  • Programmable
  • Oil Management
  • Robust Construction

Download Gallery

×

Enquire Now

and we will get back to you.

Details

1. Introduction
The Hydraulic Hose/Tube Proof Test Stand is engineered for rigorous static pressure testing of hydraulic hoses and tubes in industrial and aerospace maintenance environments.
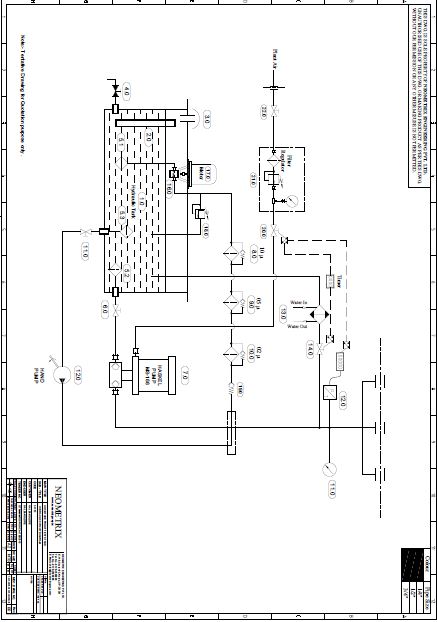
Its dual-chamber, floor-mounted enclosure houses both a high-capacity electric gear pump and an air-driven Haskel pump, delivering up to 690 bar (10 000 psi) of hydraulic pressure.
All hydraulic circuits are routed through multistage filtration and a plate-type heat exchanger to ensure fluid cleanliness and thermal stability during extended test cycles. An integrated safety hood with polycarbonate viewing windows and interlocked limit switch offers full operator protection. The unit’s modular steel cabinet, finished in corrosion-resistant powder coat, sits on adjustable vibration-dampening feet for stability on uneven  floors. Comprehensive instrumentation digital pressure transmitter with 4–20 mA output,
analog gauges, programmable timer, and emergency-stop ensures precise, repeatable testing to meet stringent quality and regulatory requirements.

2. Key Features
Dual-Source Pressurization:
Electric Gear Pump (Rexroth AZPW21004):
 • 4 cc displacement, 5 L/min flow; driven by a 3 HP, 1 420 RPM, three-phase motor for rapid, stable pressurization up to 800 bar.
 • Air-Driven Haskel Pump (MS 188): Delivers up to 1 500 psi for fine manual control or back-up operation; actuated via a simple lever handle.

Advanced Fluid Conditioning:
 • Triple-Stage Filtration: Inline elements rated at 10 μm, 6 μm, and 3 μm remove particulate contamination before high-pressure delivery.
 • Plate-Type Heat Exchanger: Maintains oil temperature within 20–40 °C, protecting seals and ensuring consistent viscosity.

Precision Instrumentation:
 • Digital Pressure Transmitter: 0–1 000 bar range, 4–20 mA loop output to external data acquisition or PLC.
 • Analog Gauges: Bourdon gauge (0–800 bar) & pneumatic gauge (0–16 bar).

Programmable
 • Timer & Selector Switch: Front-panel timer allows test durations from 1 s to 99 h 59 m, with manual or automatic start/stop modes.
Safety & Ergonomics:
 • Enclosed Test Chamber: Double-walled steel safety hood with two tempered-glass windows (250 × 250 mm each), rated to withstand full system pressure.
 • Limit-Switch Interlock: Automatically vents pressure if the hood is opened mid-cycle.
 • Emergency-Stop Mushroom Button: Immediately de-energizes pumps and opens the main relief valve.

Oil Management:
 • Sliding Oil-Collecting Tray: Positioned directly beneath the chamber for rapid removal of drain oil; tray capacity of 5 L.
 • Permanent Drip Tray: Catches overflow or accidental drips, routed to a 2 L sump for easy disposal.

Robust Construction:
 • Cabinet Material: 2 mm mild-steel enclosure with RAL 7032 powder coat; corrosion-resistant and easy to clean.
 • Viewing Windows: 6 mm polycarbonate sheets, UV stabilized and scratch resistant.
 • Mounting: Four adjustable, anti-vibration feet accommodate floor irregularities up to ±10 mm.

3. Applications
 • Aerospace MRO: Proof-testing hydraulic hoses for helicopters, fixed-wing aircraft, and ground-support equipment.
 • Mobile & Heavy-Duty Equipment: Certification of hoses for excavators, cranes, mining vehicles, and agricultural machinery.
 • Industrial Fluid Power Systems: Quality control for assembly shops producing high-pressure hoses and fittings.
 • R&D Laboratories: Validation of novel hose materials and seal designs under static orcyclic loads.
 • Training & Certification: Operator training rigs at technical schools and OEM service centers to demonstrate safe pressure-testing protocols.

4. Technical Specifications
ParameterSpecification
Maximum Test Pressure10 000 psi (≈ 690 bar)
Electric Pump Working Range0–800 bar, 5 L/min
Air-Driven Pump Range0–1 500 psi (≈ 103 bar)
Fluid Tank Capacity50 L stainless steel (SS 304), with sight glass and high/low-level switches
Filtration10 µm, 6 µm, 3 µm inline cartridge filters
CoolingPlate-type heat exchanger, 1 kW thermal capacity
Pressure TransmitterWika S10, 4–20 mA output, 0–1 000 bar
Process IndicatorSelec PIC-152N-B, LED for mA input and set-point alarm
Analog GaugesBourdon (0–800 bar) & pneumatic (0–16 bar)
Timer1 s–99 h 59 m, digital, front-panel mounted
Hood Windows2 × 250 × 250 mm polycarbonate with rubber seals
Electric Motor3 HP, 1 420 RPM, 3-phase, 415 VAC ± 5 %, TEFC
Power Supply415 VAC three-phase & 220 VAC single-phase; 2 kVA transformer included
Control PanelIP 54, 20° incline, houses switches, gauges, indicators
Dimensions (W × D × H)3 000 × 1 000 × 1 500 mm
Weight (Empty)≈ 850 kg
Ambient Range0–45 °C, 10–90 % RH (non-condensing)
Safety StandardsEN 61010-1 & ISO 13849 compliant
5. Bill of Materials (Highlights)
ItemDescription / Part No.
Hydraulic TankSS 304, 50 L, welded
Filter CartridgesHydac 110LEN0040-H10 / -H06 / -H03XL
Heat ExchangerAlfa Laval CB20
Gear PumpRexroth AZPW21004RORXXMBS0593, 4 cc, 5 L/min
Air PumpHaskel MS 188, up to 1 500 psi
Electric MotorABB HX100LA4, 3 HP, 415 VAC
Pressure TransmitterWika S10, 0–1 000 bar
Process IndicatorSelec PIC-152N-B
Analog GaugesWika 111.10; SMC 0–16 bar
Timer ModuleOmron H5CX
Limit-Switch InterlockSchneider XCKJ
Hood WindowsPolycarbonate, UV stabilized
Emergency-Stop ButtonSiemens 3SU1050-0AA00
Cabinet EnclosureMild steel, RAL 7032 powder coat
Transformer2 kVA, 415–220 VAC step-down
Mounting FeetAnti-vibration, adjustable ± 10 mm
6. Installation & Commissioning 1. Site Preparation: Level concrete floor rated ≥ 1 000 kg; ambient 0–45 °C, < 90 % RH. Clearance: 300 mm all around; no direct sun. 2. Power Connections: 415 VAC three-phase (pump); 220 VAC single-phase (controls). Cable: ≥ 4 mm2 copper; earth-ground < 1 Ω. 3. Hydraulic Hookup: Fill with OM 15 oil to high mark; bleed via pump inlet screw. 4. Functional Checks: Verify motor rotation (CW from rear). Inspect filters, hoses, and interlocks. 5. Initial Test Run: Dry-run pump 5 min; monitor current < 80 % rated. Pressurize to 100 bar, hold 1 min; inspect for leaks. Execute three 690 bar cycles (2 min hold); pressure drift < ± 5 bar. 7. Maintenance & Troubleshooting Daily: Inspect, oil-level, gauge zero, E-stop check. Weekly: Clean, test hood switch, filter Δp < 1 bar. Monthly: Drain tank, replace 10 μm filter if Δp > 0.5 bar, torque bolts. Quarterly: Clean exchanger, calibrate transmitter, leak-down test at 500 bar (Δp < 10 bar). Annual: Overhaul pumps, replace filters, burst-test chamber at 1.25× working pressure.
SymptomCauseCorrective Action
No pressure build-up Pump rotation / wiring fault Reverse leads; check starter wiring
Erratic readings 4–20 mA loop/transmitter drift Inspect loop; recalibrate transmitter
High oil temp Fouled heat exchanger Clean plates; verify coolant flow
Fittings leak Loose or worn seal Retorque; replace O-ring
Hood won’t start test Limit-switch misaligned Realign/replace switch
8. Conclusion The Hydraulic Hose/Tube Proof Test Stand represents a comprehensive, turn-key solution for high-pressure proof testing in demanding industrial and aerospace environments. By combining dual-source pressurization, advanced fluid conditioning, precision instrumentation, and robust safety features within a corrosion-resistant, ergonomically designed cabinet, it delivers repeatable, accurate results while ensuring operator protection and ease of maintenance. Whether validating hydraulic assemblies for aircraft, heavy-equipment, or R&D applications, the test hydraulic hose stands out for its reliability, versatility, and compliance with international safety standards. Optional PLC integration, extended-capacity chambers, and acoustic enclosures offer further customization to fit unique facility workflows and testing protocols.

Similar Products

Share This Page

move to top arrow