200M 400M 200M
RNG: 2.4 KM
BRG: 047°
ALT: 3,200 FT
SPD: 480 KTS
HDG: 012° N
TGT: ALPHA-7
MODE: SEARCH
PWR: NOMINAL
FREQ: X-BAND
STATUS: LOCK
NAVTGTWPNDEFRDRCOM
MIL-STD-1553IFF: ACTIVELINK-16: SYNC
SECTOR: ALPHA
THREAT: CLEAR
RADAR: ACTIVE
TRACK: 6 TGT
LAT 28.6213°N LON 77.3873°E
NX
Neometrix Target Acquired
GB Flag English
English Flag English
Indian Flag हिन्दी
Francis Flag Français
Dutch Flag Deutsch
Spanish Flag Español
Arabic Flag العربية
Russian Flag Русский
Japanese Flag 日本語
Portuges Flag Português
Italian Flag Italiano
Israel Flag עברית
Chinese Flag 中文
Korean Flag 한국어
Thailand Flag ไทย
Vietnamese Flag Tiếng Việt
Indonesia Flag Bahasa Indonesia
Malasia Flag Bahasa Melayu
Kiswahili Flag Kiswahili
Ethiopia Flag አማርኛ
isizulu Flag isiZulu
Hausa Flag Hausa

Helium Charging Station

About

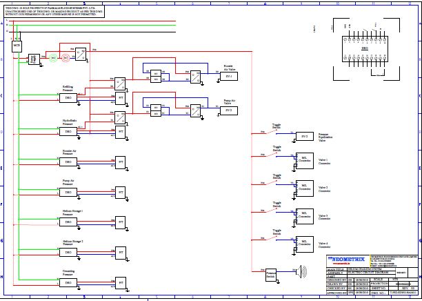
The Neometrix Helium Charging System is an all-in-one, skid-mounted unit that safely decants, hydrostatically tests, and refills helicopter emergency flight bottles. Using air-driven Haskel boosters, it transfers residual helium at 125 bar, pressurizes bottles with water up to 690 bar for integrity checks, and then charges them with high-purity helium to 400 bar. Its modular stainless-steel piping, multistage filtration, precision gauges, and automatic safety cut-outs ensure reliable, maintenance-friendly operation, while a user-focused control panel streamlines valve sequencing. Designed for aerospace, industrial gas, and research applications, it delivers turnkey performance, rigorous safety, and comprehensive support for depot-level maintenance.
No Image

Image Gallery

Technical Details

Parameter Decanting & Refilling Hydrostatic Testing
Air Drive Pressure 7 bar 7 bar
Maximum Pressure 400 bar (helium) 690 bar (water)
Air Consumption 40–50 CFM 40–50 CFM
Filtration Levels 0.001 µm / 5 µm 5 µm
Reservoir Capacity 150 L water tank 150 L water tank
Power Supply 440 V, 50 Hz 440 V, 50 Hz
Control Voltage 24 V DC (alarms) 24 V DC (alarms)
• Military & Aerospace: Depot-level maintenance of helicopter flotation and escape system bottles.
• Industrial Gas Suppliers: High-pressure cylinder certification and refill services.
• Research & Calibration Labs: Precise pressure testing and gas handling for high-purity applications.
• Emergency Services: Rapid recovery and refill of fire-suppression cylinders in the field.
        

Key Features

  • Pneumatic-Driven Boosters
  • High-Efficiency Filtration
  • Precision Instrumentation
  • Modular Design
  • User-Centric Controls

Download Gallery

×

Enquire Now

and we will get back to you.

Details

Introduction
The Neometrix Helium Charging System is engineered as a comprehensive skid-mounted solution for the safe recovery, hydrostatic testing, and high-pressure refilling of helicopter emergency flotation bottles. Leveraging proven pneumatic-driven technology, it accommodates bottle volumes of 9 L and 18 L, delivering helium at up to 400 bar for refilling and up to 690 bar water pressure for hydrostatic certification. This turnkey system streamlines depot-level maintenance workflows by integrating decanting, testing, and charging in a single, mobile unit.

System Overview
1. Decanting Module: Utilizes a pneumatic gas booster to transfer residual helium from flight bottles into recovery cylinders at ~125 bar, minimizing gas loss and contamination. An air-driven equalization process ensures smooth pressure balancing before boost operations commence.
2. Hydrostatic Test Module: Employs a Haskel ASF-100 air-driven liquid pump to pressurize plain water up to 690 bar, subjecting bottles to controlled over-pressure for integrity checks. The system auto-stops at preset test pressures to prevent over-stress.
3. Refilling Module: After successful hydrostatic testing, bottles are charged with high-purity helium up to 400 bar using the pneumatic gas booster. Automated shut-off valves and precision regulators ensure accurate fill pressures and prevent overcharging.

Key Features
• Pneumatic-Driven Boosters: Haskel gas and liquid boosters operate without heat, flame, or sparks, offering infinitely variable cycling speed and continuous-duty operation.
• High-Efficiency Filtration: Multi-stage filtration protects boosters and valves from particulates and moisture, ensuring long component life and consistent performance.
• Precision Instrumentation: Gauges, pressure switches, and audible/visual alarms provide real-time monitoring and automatic safety cut-outs at predefined thresholds.
• Modular Design: Stainless steel tubing, high-pressure hoses, and Swagelok fittings simplify maintenance and ensure leak-free connections.
• User-Centric Controls: Central control panel with intuitive toggle switches reduces operator workload and prevents sequencing errors.

Core Components & Functionality
1. Haskel Pneumatic Gas Booster AGT-32/62: Area-ratio pneumatic drive with hydrocarbon-free separation, up to 400 bar fill pressure.
2. Haskel ASF-100 Air-Driven Liquid Pump: 100:1 ratio, 0.4 in3 stroke, stainless steel construction, UHMWPE seals, up to 1 138 bar output.
3. Air Supply & Drying: 20 HP, 10 bar compressor with refrigerated and desiccant dryers to achieve −40 °C dew point.
4. Valves & Regulators: Festo and Swagelok isolation valves, needle valves for fine control, and relief valves per DOT/ISO standards.

Operational Workflow
Decanting:
- Connect bottle adapters and recovery cylinder; isolate vent valves.
- Equalize pressures at ~125 bar via panel valves.
- Engage gas booster; monitor transfer until gauges indicate completion.
- Vent residual gas and disconnect.

Hydrostatic Testing:
- Fill bottle with water from 150 L reservoir.
- Start liquid pump; auto-stop at 450 bar (adjustable up to 690 bar).
- Depressurize, drain water, and inspect for leaks or deformations.

Refilling:
- Connect helium supply; open booster inlet and bottle valves.
- Activate booster to pressurize bottle to 400 bar; automatic cut-off.
- Vent line, isolate valves, and remove bottle.

Technical Specifications
Parameter Decanting & Refilling Hydrostatic Testing
Air Drive Pressure 7 bar 7 bar
Maximum Pressure 400 bar (helium) 690 bar (water)
Air Consumption 40–50 CFM 40–50 CFM
Filtration Levels 0.001 µm / 5 µm 5 µm
Reservoir Capacity 150 L water tank 150 L water tank
Power Supply 440 V, 50 Hz 440 V, 50 Hz
Control Voltage 24 V DC (alarms) 24 V DC (alarms)
Safety Measures • Pressure Safety: Relief valves and pilot switches guard against over-pressure; never bypass factory settings. • Area Requirements: Operate in well-ventilated, obstruction-free zones; ensure floor support for skid weight. • Personal Protection: Use full-face shields, gloves, and hearing protection; follow lock-out/tag-out procedures. • Fluid Handling: Drain and dispose hydrotest water per local regulations. Applications • Military & Aerospace: Depot-level maintenance of helicopter flotation and escape system bottles. • Industrial Gas Suppliers: High-pressure cylinder certification and refill services. • Research & Calibration Labs: Precise pressure testing and gas handling for high-purity applications. • Emergency Services: Rapid recovery and refill of fire-suppression cylinders in the field. Maintenance & Support • Routine Service: Replace filter elements every 6 months or after 1 000 operation hours; inspect seals quarterly. • Booster Overhaul: Exchange seals and diaphragms annually or after 500 cycles. • Pump Maintenance: Lubricate per manufacturer guidelines; monitor stroke counts for seal replacement. • Neometrix Support: Spare-parts provisioning, on-site training, and remote diagnostics. Conclusion By integrating industry-leading pneumatic boosters, precision instrumentation, and robust safety systems, the Neometrix Helium Charging System delivers a safe, efficient, and fully mobile solution for decanting, hydrostatic testing, and high-pressure refilling of gas cylinders. Its modular design and comprehensive support ensure operational reliability and global standards compliance.
Advanced Helium Charging Systems for Aviation and Maintenance Applications Reliable helium handling is critical for aviation and depot-level maintenance operations. Helium charging systems and helium charging machines provide safe and efficient refilling of helicopter flight bottles, ensuring readiness and operational reliability. Integrated helicopter bottle testing and hydrostatic test benches allow high-precision evaluation of pressure integrity and safety compliance. Modern systems leverage Haskel gas boosters, high-pressure helium refill units, and skid-mounted helium systems to support depot-level maintenance and flight bottle decanting operations. High-pressure testing ensures all bottles meet stringent performance and safety standards, maintaining aircraft operational readiness while reducing risk. These advanced helium charging solutions deliver reliable, high-throughput, and precise operations for aerospace maintenance, enabling safe handling, testing, and replenishment of high-pressure helium systems.

Similar Products

Share This Page

move to top arrow