200M 400M 200M
RNG: 2.4 KM
BRG: 047°
ALT: 3,200 FT
SPD: 480 KTS
HDG: 012° N
TGT: ALPHA-7
MODE: SEARCH
PWR: NOMINAL
FREQ: X-BAND
STATUS: LOCK
NAVTGTWPNDEFRDRCOM
MIL-STD-1553IFF: ACTIVELINK-16: SYNC
SECTOR: ALPHA
THREAT: CLEAR
RADAR: ACTIVE
TRACK: 6 TGT
LAT 28.6213°N LON 77.3873°E
NX
Neometrix Target Acquired
GB Flag English
English Flag English
Indian Flag हिन्दी
Francis Flag Français
Dutch Flag Deutsch
Spanish Flag Español
Arabic Flag العربية
Russian Flag Русский
Japanese Flag 日本語
Portuges Flag Português
Italian Flag Italiano
Israel Flag עברית
Chinese Flag 中文
Korean Flag 한국어
Thailand Flag ไทย
Vietnamese Flag Tiếng Việt
Indonesia Flag Bahasa Indonesia
Malasia Flag Bahasa Melayu
Kiswahili Flag Kiswahili
Ethiopia Flag አማርኛ
isizulu Flag isiZulu
Hausa Flag Hausa

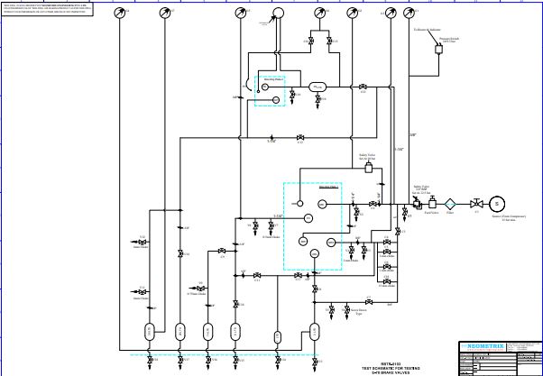
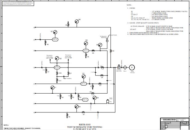
E-70 Brake Equipment Test Rig

About

The E-70 Brake Equipment Test Rig is a fully automated, turnkey solution engineered to rigorously evaluate locomotive E-70 brake components under precise hydraulic (up to 1060 kg/cm2) and pneumatic (up to 10 kg/cm2, ≤ 5 °C dew-point) conditions. Integrating PLC-driven test sequences, high-speed data acquisition, modular manifolds, and NIST-traceable gauges, it performs functional, leakage, endurance, and dynamic response tests with real-time analytics and automated reporting. Safety features include power-loss clamp locking, mushroom-head emergency stops, and IEC-compliant interlocks, while ergonomic HMIs and quick-change fixtures ensure user-friendly operation. Backed by comprehensive documentation, factory and site trials, two-year warranty with preventive maintenance, and 15-year spare availability, this test rig meets COFMOW/IR standards and global certification requirements, delivering reliable, repeatable results for R&D, production QC, depot maintenance, and training.
No Image

Image Gallery

Technical Details

Parameter Specification
Hydraulic Pressure Capability 0–1,060 kg/cm², regulation ±0.5%
Hydraulic Flow Up to 50 L/min; multiple test ports with independent zone control
Pneumatic Pressure Capability 0–10 kg/cm², dew point ≤ 5 °C, moisture ≤ 1,000 ppm
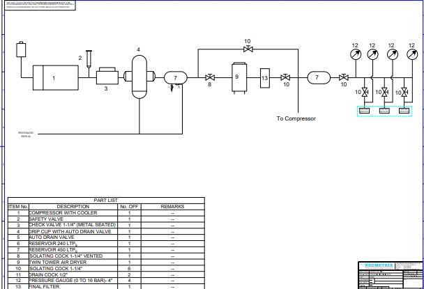
Reservoirs Pneumatic: 240L & 450L; Hydraulic: 200L
Dryer Technology Twin-tower refrigerated dryer with auto-drain
DAQ Sampling Rate ≥ 1,000 samples/second
DAQ Channels 16+ analog channels, 24-bit resolution
PLC/HMI Control Siemens or Allen-Bradley PLC with 15" touchscreen HMI
Power Supply 415 V ±10%, 50 Hz, 3-phase with ±1% stabilizer & isolation transformer
Motor Drives VFD-controlled induction motors up to 5 kW
Noise Control ≤ 80 dB(A) at 1 meter (ISO 3746 compliant)
Safety Compliance IEC 60204-1, IS 325, IS 1248, IS 375, IS 6875
Ambient Conditions 5 °C to 40 °C; indoor industrial environments
Data Connectivity OPC-UA, Ethernet, remote monitoring capability
 1. New Product Development & R&D
  • Performance benchmarking of newly designed E-70 brake valves.
  • Endurance cycling and pressure response tests to validate design changes.
  • Correlating real-world test data with FEA (Finite Element Analysis) simulations.

 2. Production Quality Control
  • Inline testing of manufactured brake components before dispatch.
  • Automated comparison with acceptance criteria as per Indian Railways and international standards.

 3. Depot Maintenance & Repair Verification
  • Post-repair testing of overhauled brake assemblies.
  • Leak integrity checks on seals, diaphragms, and piston chambers.
  • Ensures repair work meets original factory standards and reduces field failures.

 4. Training & Skill Development
  • Hands-on experience for maintenance engineers and technical staff.
  • Simulated faults for troubleshooting training.
  • Certification-based evaluation on real hardware.

 5. Third-Party Certification & Compliance
  • Supports compliance with AAR, UIC, EN, ISO testing protocols.
  • Suitable for audit-based verifications and certifications.
        

Key Features

  • Precision Automation
  • Advanced Pneumatic & Hydraulic Subsystems
  • High-Fidelity Measurement & Calibration
  • Fail-Safe Safety Systems
  • Operator-Friendly Design
  • Long-Term Reliability

Download Gallery

×

Enquire Now

and we will get back to you.

Details

1. Introduction
The E-70 Brake Equipment Test Rig is a state-of-the-art, fully automated test facility designed specifically for evaluating, validating, and certifying the full spectrum of E-70 brake equipment used across locomotive fleets. Developed in full conformity with COFMOW (Central Organisation for Modernisation of Workshops) and Indian Railways standards, this rig ensures exhaustive testing under precisely controlled hydraulic and pneumatic parameters. In today’s railway sector, where safety margins are tightly regulated and failure tolerances are nearly zero, this rig ensures absolute reliability for mission-critical braking systems.

2. Key Features
Precision Automation:
 • Fully automated test sequences for leakage, functional, endurance, and dynamic response testing.
 • User-definable test protocols for new product development.
 • High-speed DAQ system (≥1 kHz) for real-time data.
 • Graphical trend plots with auto-generated pass/fail reports.

Advanced Pneumatic & Hydraulic Subsystems:
 • Hydraulic pressure up to 1,060 kg/cm² (15,000 psi).
 • Multiple independent hydraulic zones.
 • Twin-tower refrigerated air dryer (<5°C dew point).
 • Pneumatic reservoirs (240L & 450L) with auto-drains.

High-Fidelity Measurement & Calibration:
 • 22 analog + 2 digital pressure gauges.
 • Calibration traceable to NIST/NABL.
 • High-resolution transducers for leak detection.

Fail-Safe Safety Systems:
 • Auto-locking clamps during power failure.
 • Emergency stop stations.
 • Interlocked electric/hydraulic/pneumatic circuits.
 • Compliant with IEC 60204-1 safety standards.

Operator-Friendly Design:
 • Ergonomic control console with touchscreen HMI.
 • Multi-language PLC interface.
 • Quick-change test fixtures.
 • Quiet operation (≤80 dB(A)).

Long-Term Reliability:
 • Stress-relieved cast iron structure.
 • Centralized lubrication with indicators.
 • Long MTBF components and design.

3. Application
 1. New Product Development & R&D
  • Performance benchmarking of newly designed E-70 brake valves.
  • Endurance cycling and pressure response tests to validate design changes.
  • Correlating real-world test data with FEA (Finite Element Analysis) simulations.

 2. Production Quality Control
  • Inline testing of manufactured brake components before dispatch.
  • Automated comparison with acceptance criteria as per Indian Railways and international standards.

 3. Depot Maintenance & Repair Verification
  • Post-repair testing of overhauled brake assemblies.
  • Leak integrity checks on seals, diaphragms, and piston chambers.
  • Ensures repair work meets original factory standards and reduces field failures.

 4. Training & Skill Development
  • Hands-on experience for maintenance engineers and technical staff.
  • Simulated faults for troubleshooting training.
  • Certification-based evaluation on real hardware.

 5. Third-Party Certification & Compliance
  • Supports compliance with AAR, UIC, EN, ISO testing protocols.
  • Suitable for audit-based verifications and certifications.

4. Technical Specifications
ParameterSpecification
Hydraulic Pressure0–1,060 kg/cm², ±0.5% regulation
Hydraulic FlowUp to 50 L/min, multi-zone control
Pneumatic Pressure0–10 kg/cm², dew point ≤ 5°C
Reservoir CapacitiesPneumatic: 240L & 450L; Hydraulic: 200L
DAQ System≥ 1,000 samples/sec, 24-bit, 16+ channels
Control InterfaceSiemens/Allen-Bradley PLC, 15” HMI
Power Supply415V ±10%, 3-phase, stabilized
MotorsVFD-controlled, up to 5 kW
Noise Level≤ 80 dB(A), ISO 3746
Safety StandardsIEC 60204-1, IS 325, IS 1248, IS 375, IS 6875
Operating Conditions5°C to 40°C; indoor use
Data ConnectivityOPC-UA, Ethernet, remote monitoring
5. Bill of Materials (Highlights)
ItemDescription
1Hydraulic Power Pack (pump, tank, valves)
2Pneumatic Air Dryer Unit (twin-tower)
3Pneumatic Reservoir Tanks (240L, 450L)
4Hydraulic Manifolds (RBTR series)
5Pressure Gauges (Analog & Digital)
6Centralized Lubrication Unit
7PLC Controller + HMI Touchscreen
8DAQ Acquisition Modules
9Electrical Control Panels (interlocked)
10VFD Drives with Motors (IEC-rated)
11Emergency Stop Network
12Cables, Hydraulic & Pneumatic Tubing
13Quick Change Test Fixtures
14Calibration & Test Adaptors
15Initial Spare Parts & Consumables
6. Conclusion The E-70 Brake Equipment Test Rig stands at the frontier of modern railway testing infrastructure. More than just a test bench, it serves as a comprehensive validation platform covering the entire lifecycle of E-70 brake components — from design and development to production, maintenance, and training. Built with rugged durability, precision systems, and ergonomic design, it’s an integrated solution for railway brake testing excellence.
Advanced Brake Test Rigs for Railway and Locomotive Systems Ensuring safe and reliable railway operations requires precise testing of braking systems. The E-70 Brake Equipment Test Rig and Electro-Pneumatic Brake Test Bench provide comprehensive evaluation of locomotive and train brakes. These railway brake test systems enable performance assessment of locomotive brake testing rigs, E-Type brake valve test rigs, and AAR brake test equipment. Modern setups include brake controller test stands, train brake testing platforms, relay valve test rigs, vent valve testers, and MU valve test equipment, offering complete coverage of both component-level and system-level evaluations. Automatic brake valve test benches, main reservoir pressure testers, brake leakage test stands, and brake system diagnostic units ensure compliance with safety standards and operational reliability. These high-precision test rigs support quality assurance, maintenance, and R&D for railway braking systems, helping operators maintain performance, safety, and regulatory compliance.

Similar Products

Share This Page

move to top arrow