200M 400M 200M
RNG: 2.4 KM
BRG: 047°
ALT: 3,200 FT
SPD: 480 KTS
HDG: 012° N
TGT: ALPHA-7
MODE: SEARCH
PWR: NOMINAL
FREQ: X-BAND
STATUS: LOCK
NAVTGTWPNDEFRDRCOM
MIL-STD-1553IFF: ACTIVELINK-16: SYNC
SECTOR: ALPHA
THREAT: CLEAR
RADAR: ACTIVE
TRACK: 6 TGT
LAT 28.6213°N LON 77.3873°E
NX
Neometrix Target Acquired
GB Flag English
English Flag English
Indian Flag हिन्दी
Francis Flag Français
Dutch Flag Deutsch
Spanish Flag Español
Arabic Flag العربية
Russian Flag Русский
Japanese Flag 日本語
Portuges Flag Português
Italian Flag Italiano
Israel Flag עברית
Chinese Flag 中文
Korean Flag 한국어
Thailand Flag ไทย
Vietnamese Flag Tiếng Việt
Indonesia Flag Bahasa Indonesia
Malasia Flag Bahasa Melayu
Kiswahili Flag Kiswahili
Ethiopia Flag አማርኛ
isizulu Flag isiZulu
Hausa Flag Hausa
Precision Oxygen and Gas Leak Testers for Aerospace, Defense, and Industrial Applications Accurate leak detection is essential for ensuring the safety and reliability of oxygen and gas systems. Oxygen leak testers and portable leak detectors enable rapid, reliable verification of pipelines, cylinders, and assemblies. Dual-range leak testers and high-pressure leak tests allow precise identification of leaks, while fine leak detection ensures even minor system breaches are caught early. Nitrogen-based testing, pneumatic leak testers, and specialized aerospace leak testers support both defense leak testing and industrial verification. Tools like mobile leak test rigs, precision leak detection systems, and sealed-chamber leak testers provide flexibility for field leak verification, maintenance, and R&D applications. Integrated features such as quick-clamp leak chambers, rotameter flow monitoring, and overpressure protection enhance operational safety, making these testers suitable for oxygen system testing, quality assurance leak tests, and R&D leak test benches. These advanced systems deliver reliable, efficient, and precise leak detection for critical applications.

KU-7 Oxygen Tester

About

The KU-7 Oxygen Tester is a mobile, high-precision leak-testing system that uses inert nitrogen to verify the integrity of oxygen-handling components across two pressure ranges—up to 4,000 psi for endurance checks and down to 50 psi for fine-leak detection. Its rugged, quick-clamp chamber and dual regulators ensure uniform sealing and rapid mode switching, while integrated gauges, a rotameter, and safety relief valves provide real-time monitoring and overpressure protection. Mounted on a compact, wheeled frame, the unit travels easily between labs and hangars, making it ideal for on-site maintenance, quality assurance, and research applications where compliance with aerospace and defense leak-test standards is critical.
No Image

Image Gallery

Technical Details

Parameter Specification
Drive Air Pressure 4–8 bar (60–120 psi)
Drive Air Flow 10–80 scfm
Drive Ratio 75:1
Inlet N₂ Pressure Range 20–150 bar (300–2 175 psi)
Max Outlet N₂ Pressure 300 bar (4 350 psi)
Displacement per Cycle 1.2 in³ (≈19.6 mL)
Max Cycle Rate 60 cycles/min
Weight 27 lb (12.2 kg)
Frame Dimensions (L×W×H) 750 × 450 × 540 mm
Gas Connection Interchangeable 3/8″ SAE or 1/4″ H/P
Material Stainless-steel booster; MS frame
Control Elements Festo filter, regulator, ball valves

  • Aircraft Oxygen Supply Maintenance: Verification of regulators, manifold assemblies, and pressure-demand valves during scheduled A-checks and C-checks, ensuring leak-tight integrity before flight.
  • Defense Subsystems QA/QC: Factory acceptance testing of breathing-air packs and escape-system bottles to MIL-PRF-25567 standards for oxygen leak-detection compounds.
  • Spaceflight Hardware Validation: Pre-launch inspection of portable life-support units and EVA backpacks, tailored to meet NASA and DoD leak-test protocols.
  • Laboratory & R&D Prototyping: Rapid research-bench checks on novel valve designs, materials compatibility studies under oxygen service, and developmental test cycles for new gas-handling components.
  • Key Features

    • Dual-Stage Pressure Control
    • High Sensitivity Leak Detection
    • Robust Chamber Design
    • Integrated Flow Monitoring
    • Safety Protections
    • Data Logging (Optional)
    • Portability & Ergonomics

    Download Gallery

    ×

    Enquire Now

    and we will get back to you.

    Details

    Introduction
    Oxygen systems in aircraft and aerospace applications demand the highest integrity: even minute leaks can pose serious safety risks—fire hazards in enriched-oxygen environments, system failures at altitude, and non-compliance with military and NASA standards. The KU-
    7 Oxygen Tester uses high-purity nitrogen as an inert test medium to eliminate combustion risk during pressurization. Its dual-range capability (up to 4000 psi and down to 50 psi) covers both qualification (high-pressure endurance) and acceptance (fine-leak characterization) regimes, per guidelines in NASA-STD-7012 for leak-test sensitivity (down to ~1×10−4 mbar·L/s). Mounted on a compact trolley, the tester travels easily from hangar bay to flight-line, enabling on-site verification without dismantling large assemblies.
    
    Key Features
    - Dual-Stage Pressure Control: Two independent regulators tame shop-air (6,000 psi) down to test pressures of 4,000 psi (qualification) and 50 psi (acceptance), supporting rapid switch-over between test modes.
    - High Sensitivity Leak Detection: Chamber and gauge calibration ensure detection of leaks as small as 1×10−4 mbar·L/s, compliant with aerospace leak-test requirements.
    - Robust Chamber Design: Precision-machined mild-steel chamber with O-ring seals and quick-release clamps maintains uniform gasket compression, delivering consistent dwell-time pressure hold tests.
    - Integrated Flow Monitoring: A rotameter (0–6 SCFH) allows trace-gas methods (e.g., helium sniff) and confirms purge rates for rapid localization of leaks.
    - Safety Protections: Dual pressure-relief valves (0–10 bar) and color-coded warning labels mitigate overpressure incidents, while needle-valve arrangements isolate test circuits before venting.
    - Data Logging (Optional): Add-on digital transducers and USB/ethernet output enable automated test reports and trend-analysis for recurring maintenance.
    - Portability & Ergonomics: Lockable swivel casters, integrated handle, and a footprint under 2 ft2 let technicians maneuver in tight spaces without cranes or dollies.
    
    Applications
    • Aircraft Oxygen Supply Maintenance: Verification of regulators, manifold assemblies, and pressure-demand valves during scheduled A-checks and C-checks, ensuring leak-tight integrity before flight.
    • Defense Subsystems QA/QC: Factory acceptance testing of breathing-air packs and escape-system bottles to MIL-PRF-25567 standards for oxygen leak-detection compounds.
    • Spaceflight Hardware Validation: Pre-launch inspection of portable life-support units and EVA backpacks, tailored to meet NASA and DoD leak-test protocols.
    • Laboratory & R&D Prototyping: Rapid research-bench checks on novel valve designs, materials compatibility studies under oxygen service, and developmental test cycles for new gas-handling components.
    
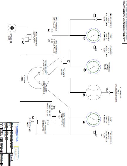
    System Description
    1. Leak Chamber: 10 × 20 in. cylindrical vessel, chrome-plated interior, with six port fittings for various UUT geometries.
    2. Pressure Regulators & Gauges: Precision back-pressure regulators with ±0.5% full-scale accuracy; gauges cover 0–8600 psi, 0–140 psi, and 0–60 psi ranges.
    3. Needle Valves & Isolation: Five metering valves (1⁄4′′ OD tubing, 345 bar rating) route gas to test ports, purge lines, and relief vents; quick-disconnect fittings permit rapid reconfiguration.
    4. Flowmeter (Rotameter): Glass tube with a stainless-steel float, readable to ±2% accuracy for flow-rate verification before sealed-chamber tests.
    5. Safety Valves: Two spring-loaded relief valves calibrated at 10 bar; built-in burst discs for catastrophic-event protection.
    6. Chassis & Mobility: Welded tubular-steel frame, powder-coated for corrosion resistance, with four 5′′ polyurethane wheels (two locking) and ergonomic tug handle.
    
    Technical Specifications
    
    Parameter Specification
    Drive Air Pressure 4–8 bar (60–120 psi)
    Drive Air Flow 10–80 scfm
    Drive Ratio 75:1
    Inlet N₂ Pressure Range 20–150 bar (300–2 175 psi)
    Max Outlet N₂ Pressure 300 bar (4 350 psi)
    Displacement per Cycle 1.2 in³ (≈19.6 mL)
    Max Cycle Rate 60 cycles/min
    Weight 27 lb (12.2 kg)
    Frame Dimensions (L×W×H) 750 × 450 × 540 mm
    Gas Connection Interchangeable 3/8″ SAE or 1/4″ H/P
    Material Stainless-steel booster; MS frame
    Control Elements Festo filter, regulator, ball valves
    Operating Overview 7. Setup & Pre-Check: Connect shop-air/nitrogen supply (6,000 psi), verify regulator setpoints, purge lines at 3 SCFH for 30 s. 8. UUT Installation: Mount component inside chamber; attach port adaptors; tighten quick-release clamps. 9. High-Pressure Test: Isolate purge; pressurize to 4,000 psi at 200 psi/min to minimize thermal effects, hold for 10 min, monitor gauge drift (<1% drop allowed). 10. Low-Pressure Test: Vent chamber; reset regulator; pressurize to 50 psi, hold for 5 min, check no audible or gauge-indicated leakage. 11. Leak Localization: Introduce a helium tracer (1% by volume) and sweep chamber exterior with a sniff probe via the rotameter line. Maintenance Guidelines - Daily: Inspect hoses/fittings for wear; verify regulator knob operation; check relief-valve functionality. - Weekly: Perform calibration drift check against master gauge; clean chamber interior and seals with oxygen-compatible solvent per ASTM G93. - Annual: Full gauge and regulator recalibration; replace O-rings and burst-discs; verify rotameter float zero. - Safety Note: Never introduce lubricants or oils in oxygen circuits. Always bleed residual pressure through dedicated vents before opening the chamber. Conclusion With its rigorous adherence to aerospace leak-test standards, dual-range capability, and user-centric design, the KU-7 Oxygen Tester (Model A1580) stands as a cornerstone tool for maintenance, quality assurance, and R&D in oxygen-handling systems. Its portability, high- sensitivity detection, and modular instrumentation make it uniquely suited to keep critical life-support and propulsion subsystems safe, compliant, and mission-ready.

    Similar Products

    Share This Page

    move to top arrow